东京精密传感器测针 测头
ACCRETECH用于轮廓测量的高刚性触...
ACCRETECH用于轮廓测量的高刚性触...
ACCRETECH用于轮廓测量的高刚性触...
ACCRETECH臂(用于测量长物体)东...
ACCRETECH可互换的粗糙度和形状测...
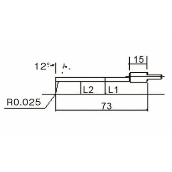
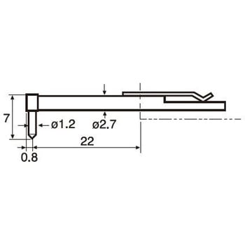
ACCRETECH用于轮廓测量(小孔测量...
ACCRETECH用于轮廓测量(小孔测量...
ACCRETECH用于轮廓测量(小孔测量...
ACCRETECH鼻托(孔深测量)东京精...
ACCRETECHRONDCOM 71C...
ACCRETECH可互换的粗糙度和形状测...
ACCRETECH可互换的粗糙度和形状测...